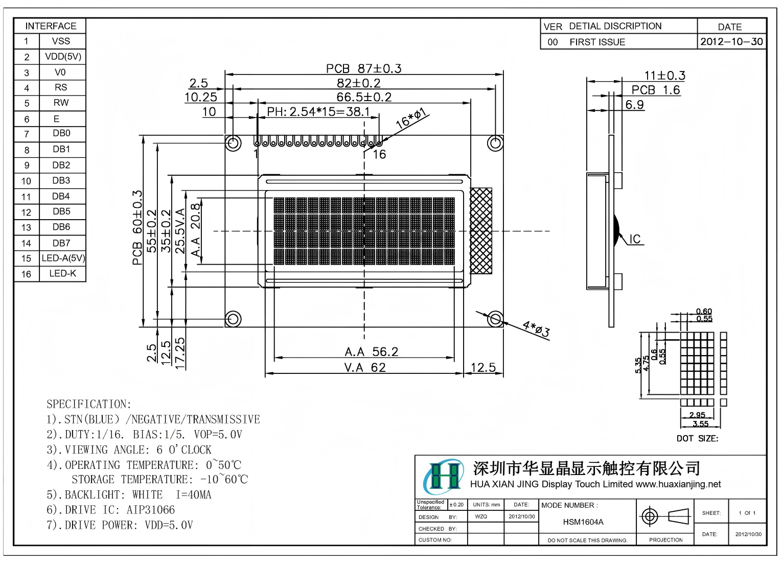
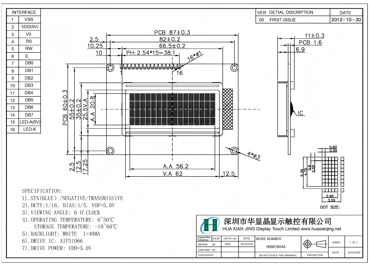
HSM1604B
16x4
Rectangular
AIP31066
Without
16×4 Monochrome Character LCD Module is a 16×4 red LCD. This LCD module currently has 2 different variations. Their same attributes are:
Driver IC: AIP31066;
Pin Number: 16 Pins.
Similarly, different customers have different needs, this 16×4 Monochrome Character LCD Module has different attributes:
Outline Dimension: 87×60×11mm / 87×60×13mm;
View Area: 62×25.5mm / 62×26mm;
Backlight: Red / Blue / Yellow Green / Grey.

The drawing:
