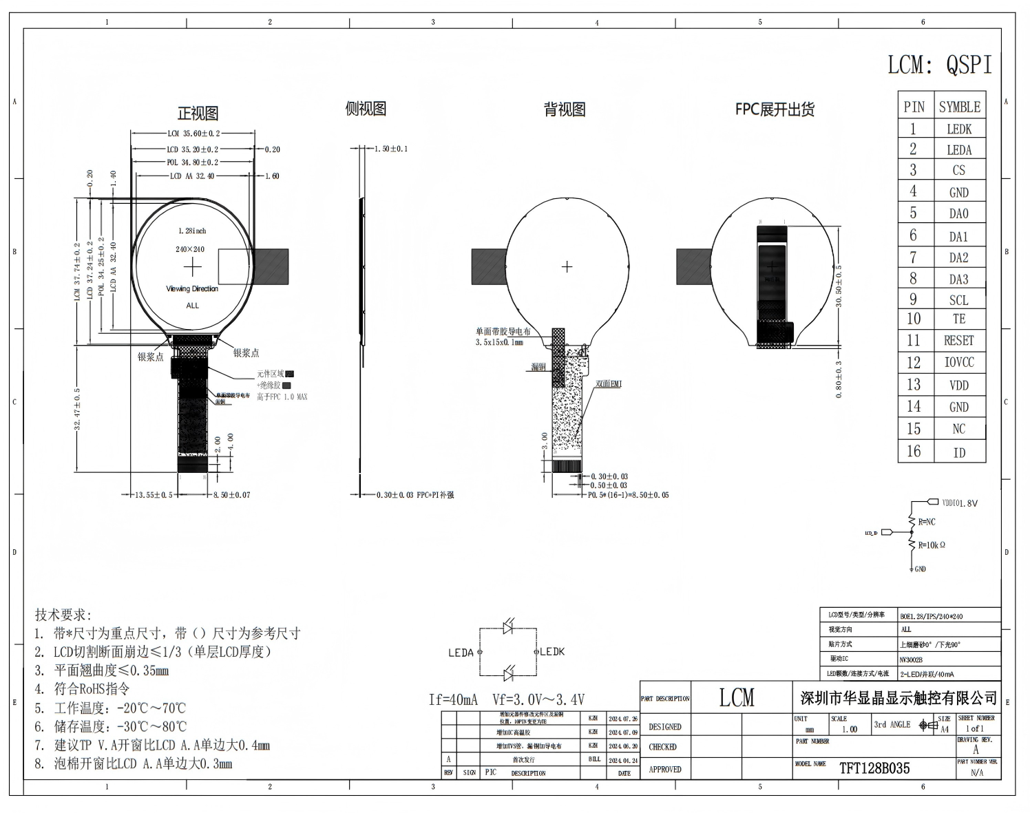
TFT011R
1.28
240x240
Round
SPI
GC9A01
CTP
1.28 inch TFT LCD Module is equipped with an GC9A01 driver IC and uses an SPI-type interface.
Similarly, Hua Xian Jing also provides a variety of options for customers with other needs. You can customize these attributes of the 1.28 inch TFT LCD Module:
Resolution: Customization;
Driver IC: Customization;
Outline Size: Customization;
View area: Customization;
Pin Number: Customization;
Interface: Customization.
1.28-inch round LCD display module, designed for creative and professional applications. Perfect for AI robots, interactive pet toys, and seasonal decorations such as Halloween and Christmas, this compact display brings characters to life with vivid, expressive eyes. It can simulate realistic pupil movements, blinking, and emotional expressions, adding personality and interactivity to your products. With high resolution and low power consumption, it is ideal for wearable devices and embedded systems. Elevate your designs with a display that captivates attention and enhances user engagement through dynamic visual storytelling.
The drawing:
