HSM1604B
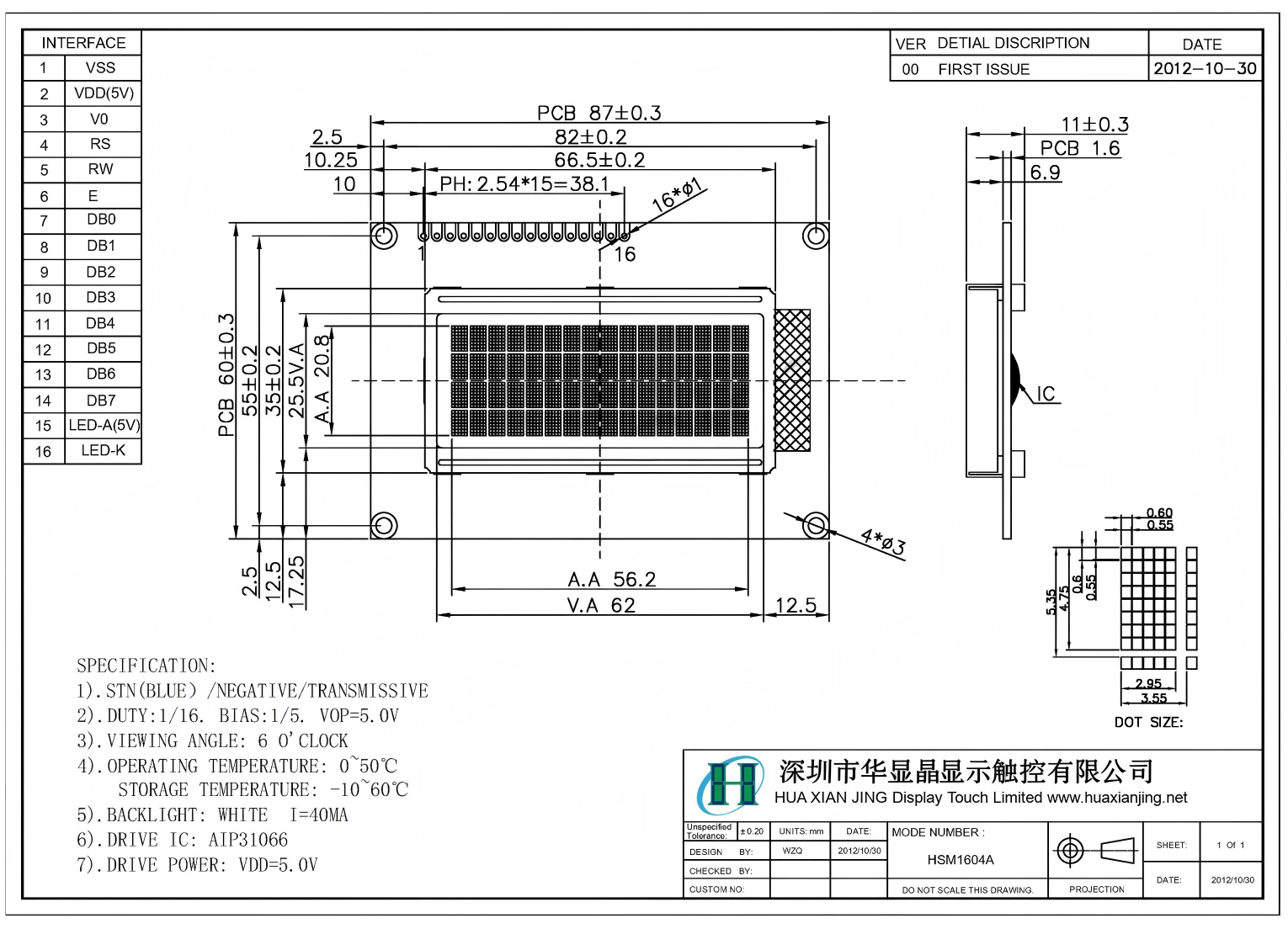
16x4
矩形
MCU
AIP31066
NA
为16字符宽,4行字符液晶模块,AIP31066控制器,单LED背光,黄绿色,STN正显半透膜,黄绿色背景黑色文本,工作温度范围宽,符合 rohs 标准,内置字符集支持英文/日文文本,有关完整字符集。 可选择排针连接、5V 或 3.3V 电源以及 arduino 的 I2C 适配器板。
它可以通过8051和ARDUINO等MCU轻松控制。它可以用于任何嵌入式系统、工业设备、安全、医疗和手持设备。
连接器定制:轻松修改显示器上的任何连接器以满足您的应用程序的要求。 我们的工程师能够对排针、盒装接头、直角接头以及您的显示器可能需要的任何其他连接器进行焊接。 |
PCB修改:从 PCB 的形状、尺寸、引脚排列和元件布局等多种更改中进行选择,使其完美适合您的应用。 |
背光颜色定制:模组背光有多种组合可选不带背光或带黄绿色 / 蓝色 / 白色 / 琥珀色 / 红色 / RGB背光选择达48种效果,可点开定制页面参考。 |
字库定制:提供多种字体库,包括英语/日语、西欧、东欧、斯堪的纳维亚欧洲、西里尔语(俄语)、希伯来语/阿拉伯语等。 |

The drawing:
